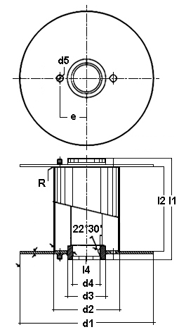
DIN 46395


d1


d2


d3
max.

d4


d5
Hole or pin

e1


l1


l2
@

Winding
volume
in dmq
315
125
71
36
8 bis 16
71
236
200
13,1
160
190
160
9,2
355
140
112
56
16 bis 32
112
265
224
18,7
180
215
180
13,2
400
160
300
250
26,3
200
236
200
18,8
450
180
335
280
37,4
224
265
224
26,8
500
200
140
375
315
51,9
250
300
250
36,8
560
224
425
355
73,4
280
335
280
51,7
630
250
475
400
105,1
315
375
315
72,5
710
355
160
80
28 bis 40
160
530
450
133,6
800
400
600
500
188,5
900
450
670
560
267,2
1000
500
750
630
371,1
1120
560
850
710
524,6
1250
630
950
800
732,4


DIN 46397


d1


d2


d3


d4


l1


l2


d5
Hole or pin

e


t1


t4


t5


V1
dmq
315
180
160
127
236
200
16
100

 

63


20
2
10,5
200
9,3
224
7,7
355
200
160
127
212
180
12,2
200
265
224
15,1
224
13,3
250
11,2
400
224
160
127
236
200
28
100
63
20
2
17,3
224
300
250
21,6
250
19,1
280
16,0
450
250
160
127
265
224
24,6
250
335
280
30,8
280
27,3
315
22,7
500
280
160
127
300
250
33,7
280
375
315
42,5
315
37,5
355
30,7
560
315
160
127
335
280
47,1
315
425
355
59,8
355
52,3
400
42,8
630
355
160
127
375
315
67,0
355
475
400
86,2
400
74,4
450
61,1
710
400
300
250
425
355
40
170
125
40
2,5
95,9
400
530
450
121,6
450
106,6
500
89,8
800
450
300
250
475
400
137
450
600
500
172
500
153
560
128
1000
560
200
250
750
630
50
250
125
40
2,5
340
630
298
710
245
1250
710
300
250
950
800
665
800
580
900
473