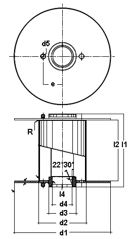
DIN 46397


d1


d2


d3


d4


l1


l2


d4
Hole or pin

e


t1


t4


t5


V1
dmq
160
90
-
80
118
95
-
-
40
12,5
1
1,31
200
112
100
150
118
-
-
50
16
1,6
2,54
125
2,26
140
1,89
224
125
100
170
140
3,80
140
3,36
160
2,70
250
140
160
127
190
160
-
-
63
20
2
5,39
160
4,64
180
3,78
315
180
160
127
236
200
16
100
10,5
200
9,3
224
7,7
355
200
160
127
212
180
12,2
200
265
224
15,1
224
13,3
250
11,2
400
224
160
127
236
200
28
100
63
20
2
17,3
224
300
250
21,6
250
19,1
280
16,0
450
250
160
127
265
224
24,6
250
355
280
30,8
280
27,3
315
22,7
500
280
160
127
300
250
33,7
280
375
315
42,5
315
37,5
355
30,7
560
315
160
127
355
280
47,1
315
425
355
59,8
355
52,3
400
42,8
630
355
160
127
375
315
67,0
355
475
400
86,2
400
74,4
450
61,1
710
400
300
250
425
355
40
170
125
40
2,5
95,9
400
530
450
121,6
450
106,6
500
89,8
800
450
300
250
475
400
137
450
600
500
172
500
153
560
128
1000
560
200
250
750
630
50
250
125
40
2,5
340
630
298
710
245
1250
710
300
250
950
800
665
800
580
900
473